Sélectionnez l'un de ces produits disponibles
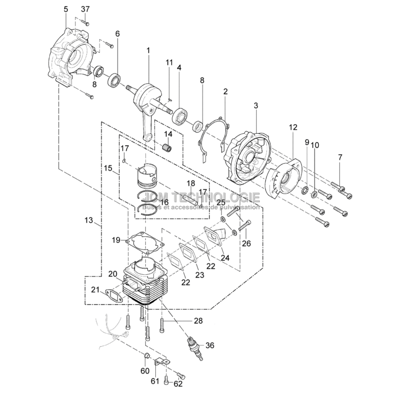
Vue éclatée du vilebrequin, cilyndre et piston de l'atomiseur solo 423
RetourCaractéristique de Vue éclatée du vilebrequin, cilyndre et piston de l'atomiseur Solo 423
Le Solo 423 ou PORT 423 est un atomiseur qui a fait ses preuves dans de nombreux domaines comme la viticulture, l'arboriculture, le maraîchage et l'industrie.
Le système de pulvérisation pneumatique permet une pulvérisation de gouttes fines transportées par un flux d'air puissant.
Le cadre du réservoir Solo 423 comporte de nombreuses pièces qui ont chacune une importance pour assurer la qualité de la pulvérisation et de l'application.
Retrouvez tous nos équipements pour vous permettre d'utiliser au mieux votre atomiseur Solo 423 sur notre site ou directement en magasin.
Liste des pièces détachées de l'éclaté
| Référence | Commander |
|---|---|
Réf: 10165 1,24 € HT | |
Réf: 12122 236,80 € HT | |
Réf: 12126 75,30 € HT | |
Réf: 2048116 20,68 € HT | |
Réf: 11894 4,94 € HT | |
Réf: 11875 3,03 € HT | |
Réf: 11919 4,45 € HT | |
Réf: 11919 4,45 € HT | |
Réf: 11777 21,38 € HT |







